

|
產品分類
|
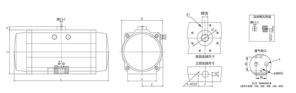
氣動執(zhí)行器
|
| 關于苯邦 | 產品中心 | 工程案例 | 新聞資訊 | 服務中心 | 聯(lián)系我們 | |
|
|
|
|
![]() |
400-008-9311
|
||