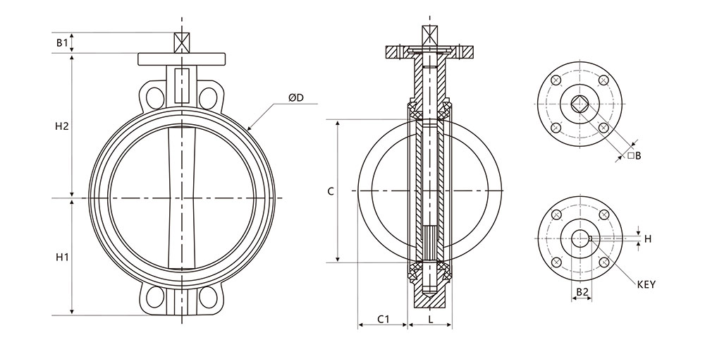
iTork電動對夾蝶閥是一種轉角90°的旋轉類蝶閥,連接方式為對夾連接。輸入控制信號及單項電源即可控制運轉,具有功能強、體積小、性能可靠、配套簡單、流通能力大,特別適用于介質是粘稠,含顆粒、纖維性質的場合。
蝶閥安裝時,先關閉閥門,后進行安裝,以防止碰傷蝶板密封面。兩管道法蘭而應平行,使得裝緊后閥門和管道法蘭接觸壓力平均。管道法蘭內孔不宜過大,保證不大于5mm,以防壓板受壓位置不對而變形失效。
iTork電動對夾蝶閥執行器產品細節
1、外部機械限位螺栓
在電子限位開關失靈的情況下,防止執行器超行程運行。電纜接口:標準2個PF3/4(最大1)
2、扭矩開關
過載保護,開/關各1個
3、接線端子
彈簧鎖緊型,接線牢固,在強振動環境中也不會脫落
iTork執行器產品特點
1、體積小 重量輕占空比高。
2、與行星齒輪相結合,效率高。
3、適用于開關型小型球閥/旋塞閥和擋板自動化控制。
4、電機特殊設計的感應電機,啟動扭矩高,有過熱保護。
